ASUS TAICHI21 维修不开机的准备工作

本篇是对一个帖子的无聊重构。老夫手里有一台可以正常工作的 TAICHI21,由于这个本子数量稀少因此在看到一台价格不错的故障机后——尤其是了解了故障过程后——决定将之入手,作为配件机,以及实验机。

其实一开始看到的时候,卖家是当正常机挂售的,三太爷也已拍下,只是发货前卖家才发现不能加点点亮了,于是取消了交易。而这个测试是由于老夫提醒她不要把电源适配器忘了一并发出而导致的。她说她没有电源适配器,三太爷明明看到她的贴子里有开机后的照片,才说那是用万能充这种东西通电的。说着要再通电开机发个图或者视频过来,以示机器正常,结果变成了成功证明已经不能开机。

在其后的几天内,三太爷发现了前述的维修贴。心里感觉很可能卖家也是某次用万能充这类电源供电时,电极搞反了,以至于不能开机。于是又回头找到卖家,商量了一个价格再次交易。如果拿到手还能把板子修复好,岂不美哉。但是原帖的行文实在过于随性,每次看都痛苦不堪,几乎等同于外语,要在头脑里翻译一次。之后自行整理,填注标点,张贴于此,供后续操作时参考。


接手一台湾老板的高端商务本子 TAICHI21,因为要工作,急的不得了。

情况是他电源线坏了,他自己接线把正负接反了,结果电脑不开机了。买了新电源也无用,拆开上主角。

板号:TAICHI21 3.1,BIOS 论坛大把,也不上传了,要的兄弟自己论坛找下。

机子是 i7 三代,SSD 是 256GB 的,配置满好。双面屏,后面是触摸屏,前面是普通屏。

点位图论坛有不上传了。地址发这里:http://www.chinafix.com/thread-916687-1-1.html。

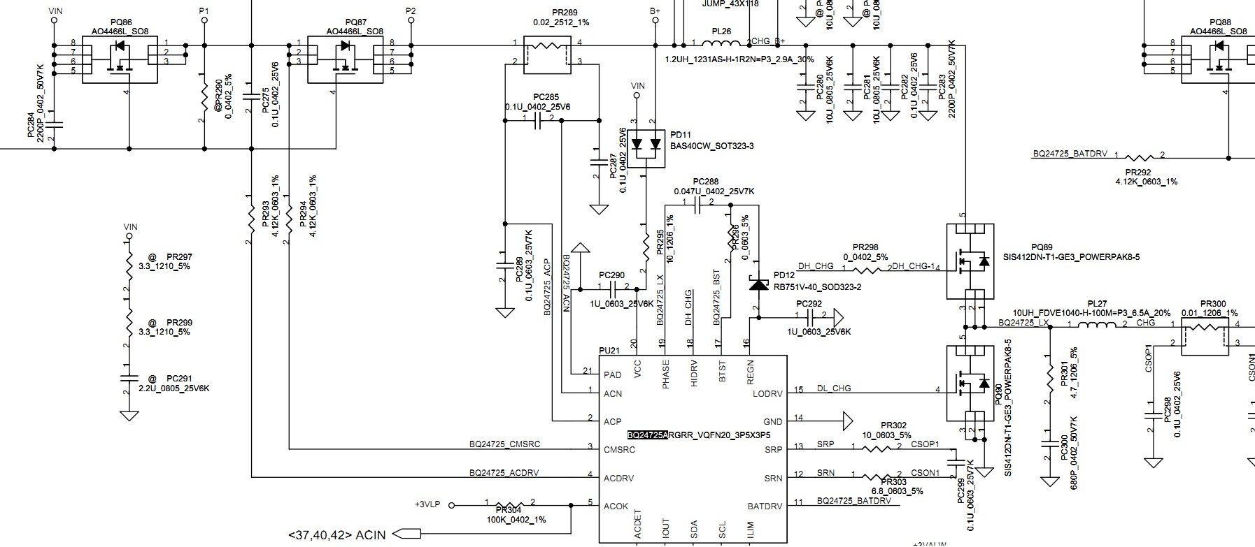
下面的电路图是借论坛朋友的。充电芯片是 BQ25A,上图中红圈 3。

点位图查到红圈 1,从上图看是 PQ86,和红圈 2,为上图的 PQ87。

这二个管子是 N 管,G 极都接在一起的,受 BQ25A 4 脚 ACDRV 驱动。这种新的芯片大家都知道就不细说了。

测到 ACDRV 只有0.87V,20 脚 VIN 19V 正常的,16 脚 REGN 6.3V 正常的,6 脚 ACDET 2.6V 正常的,这个脚是 2.4 到 3.1 为正常电压。

这种情况下 BQ25A 就算 PQ86 和 PQ87 拆了,ACDRV 应该也要输出 6V 基本电压才对呀。拆了那二个 N 管子,ACDRV 一样 0.87V。

二个 N 管子测了下是好的,这个时候就要用上电线了。直接把 PQ86 和 PQ87 G 级接到 DC 头正极来测试下,这个芯片没有 ACDRV 驱动电压,可以这样做的。

没有别的情况的话是可以亮机的,嘿嘿。我想大家都知道了,我就这样多说两句话而已,只能做点亮测试哈,它不会充电的。

机子亮了。等明天芯片换了就 OK 了。简单的问题来赚点下载分,看了帮我加分哈,不准不加。谢谢。


有一个帖子,其中也是 TAICHI21 加电不亮机的案例,但据说可以通过刷 BIOS 解决?

发表回复

您的邮箱地址不会被公开。 必填项已用 * 标注